客户服务热线:
86-193 8521 3639
Home
About Us
Products
Workshop
Case
News
FAQ
Contact Us
Product categories
RJ45 ordinary series
RJ45 180 degree series
RJ45 SMT series
RJ45 SMD series
RJ45+USB series
56 series
59 series
Adapters
Other RJ45
RJ45 with filter series
RJ45 sink board & SMD with filter
Multi-port series RJ45 filter
RJ45+USB series
21.6MM anti-mouth
21.6MM
25.4MM
33.3MM
180 degree
SFP series
4
dhcpmingchen
Your position
Home
->
Products
->
RJ45 with filter series
->
RJ45 sink board & SMD with filter
->
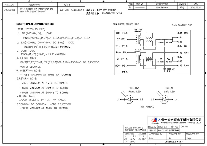
MJ6-B211-YRS2L1T050-1
[View Original]
[BACK]
Product Dimensions:
(click image to enlarge)